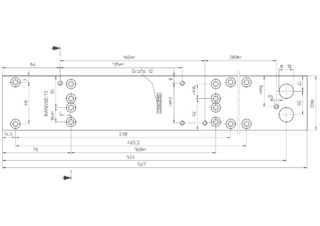
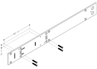
Mounting plate door closer * For TS 5000 RFS KM/TS 4000 R(-IS) with hole pattern in accordance with DIN EN 1154 Supplement 1
- With hole pattern according to DIN EN 1154 Supplement 1
Application Areas
- Installation of the closer body in accordance with the DIN hole pattern
Technical data
| Mounting plate door closer | |
| Mounting plate with hole pattern in accordance with EN 1154 supplement | Yes |
Downloads
Variants & Accessories
* Notice about the products displayed
The products mentioned above may vary in form, type, characteristics and function (design, dimensions, availability, approvals, standards etc.) depending on the country. For questions please contact your GEZE contact person or send us an E-Mail .