PT 63 * Glass Fitting fanlight and connector fitting with end stop
- Elegant cover caps made of polished or brushed stainless steel
- Problem-free adjustment to glass thicknesses of 10 – 12 mm
Application Areas
- For static toughened glass assemblies
- For glass thicknesses 10 and 12 mm
- For internal and external systems
Technical data
| PT 63 | |
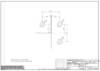
| Dimensions | 105 x 32 x 105 mm |
| Width | 32 mm |
| Length | 105 mm |
| Height | 105 mm |
| Pane thickness (min.) | 10 mm |
| Pane thickness (max.) | 12 mm |
| Type of installation | Glass installation |
Downloads
LABELLING OBLIGATION: © GEZE GmbH
Variants & Accessories
* Notice about the products displayed
The products mentioned above may vary in form, type, characteristics and function (design, dimensions, availability, approvals, standards etc.) depending on the country. For questions please contact your GEZE contact person or send us an E-Mail .